产品分类 : 英国GASSHIELD
型号 : UGT-DGJG-CH4
产品描述 : UGT-DGJG-CH4集成点式激光甲烷传感探头采用可调谐激光光谱吸收(TDLAS)技术对目标气体进行精确测量专业仪器。集成点式激光甲烷传感探头集成先进的激光器和探测器等,实现高精度、高密度、高可靠的小型化集成封装;传感探头采用开放式气体交换方式,同时采用独有技术确保光电分割,确保传感探头的本征安全;传感探头采用了优良的光学系统及优异算法,实现了高难度精确测量,确保了传感探头检测精度高、反应快、功耗低等优势。
UGT-DGJG-CH4
集成点式激光甲烷传感探头(漫反式)

一、产品简介
UGT-DGJG-CH4集成点式激光甲烷传感探头采用可调谐激光光谱吸收(TDLAS)技术对目标气体进行精确测量专业仪器。集成点式激光甲烷传感探头集成先进的激光器和探测器等,实现高精度、高密度、高可靠的小型化集成封装;传感探头采用开放式气体交换方式,同时采用独有技术确保光电分割,确保传感探头的本征安全;传感探头采用了优良的光学系统及优异算法,实现了高难度精确测量,确保了传感探头检测精度高、反应快、功耗低等优势。

二、集成点式激光甲烷传感探头产品特点
●高精度,小型化,低功耗;
●有效吸收光程长,在小型的光学系统中实现了较长的有效吸收光程;
●高可靠、本征抗干扰(非甲烷气体均无反应);
●较宽的工作电压(3.3-5.0V)进行供电,TTL串口,便于二次集成;
●本安防爆设计,EMC 防护设计;
●防水防尘设计;
三、集成点式激光甲烷传感探头应用领域
1.工业领域
石油化工行业:在石油炼制、化工生产等过程中,激光甲烷传感探头可安装在储存罐、反应釜、输送管道等设备附近,实时监测甲烷泄漏情况,防止因甲烷泄漏引发的火灾、爆炸等安全事故。
煤炭行业:用于煤矿井下的采掘工作面、回风巷道等区域,及时检测甲烷浓度,保障矿工的生命安全和矿井的安全生产。当甲烷浓度超过安全阈值时,传感探头会立即发出警报,以便采取相应的通风、疏散等措施。
电力行业:在天然气发电厂等场所,激光甲烷传感探头可对燃气轮机、天然气输送管道等设备进行监测,确保天然气的安全使用,避免因甲烷泄漏造成设备损坏或人员伤亡。

2.市政领域
城市燃气供应系统:安装在城市燃气管道的沿线、阀门井、调压站等位置,实时监测燃气泄漏情况。一旦发现甲烷泄漏,能够及时定位泄漏点,便于维修人员迅速采取措施进行修复,保障城市燃气供应的安全。
污水处理厂:污水处理过程中会产生沼气,其中含有一定量的甲烷。激光甲烷传感探头可用于监测污水处理厂的厌氧发酵池、沼气储存罐等区域的甲烷浓度,防止沼气泄漏引发安全事故,同时也有助于优化污水处理工艺。

3.仓储物流领域
危险化学品仓库:对于储存甲烷或其他含有甲烷的危险化学品仓库,激光甲烷传感探头可安装在仓库内的各个角落和通风口等位置,实时监测仓库内的甲烷浓度,确保仓库的安全。
物流运输:在运输甲烷等易燃易爆气体的槽罐车、集装箱等运输工具上安装激光甲烷传感探头,可实时监测运输过程中是否有气体泄漏,一旦发生泄漏能及时发现并采取措施,保障运输安全。

4.环保领域
垃圾填埋场:垃圾填埋过程中会产生大量的填埋气,其中甲烷是主要成分之一。激光甲烷传感探头可用于监测垃圾填埋场的甲烷排放情况,以便采取相应的减排措施,减少对环境的污染。
工业废气排放监测:一些工业生产过程中会排放含有甲烷的废气,激光甲烷传感探头可安装在废气排放管道上,实时监测废气中甲烷的浓度,帮助企业实现废气达标排放,同时也为环保部门的监管提供数据支持。
四、集成点式激光甲烷传感探头技术参数(参照、仅供参考)
说明:
本激光甲烷传感探头每隔2秒会发出一组数据,数据格式如附件一所示;
本传感探头省电模式推荐给传感探头供电的电源工作电压3.6V,工作电流限流在300mA~400mA;
集成点式激光甲烷传感探头具体参数信息参见下表:
参 数 | 最小值 | 典型值 | 最大值 | 单位 | |
常规参数 | |||||
贮存温度 | -40 | - | 85 | ℃ | |
操作温度 | -40 | - | 60 | ℃ | |
工作湿度(无冷凝) | - | - | 98 | %RH | |
工作压强 | 80 | - | 116 | kPa | |
测量范围 | 0 | - | 100 | %LEL | |
基本误差 | 常温、常压 | ±3%LEL | - | ||
全工况 | ±7%LEL | - | |||
响应时间 | - | 15 | - | s | |
检测下限 | 3 | %LEL | |||
最小分辨率 | 0.01 | %VOL | |||
通讯接口 | |||||
TTL | 波特率 | - | 115200 | - | baud |
停止位 | - | 1 | - | Bit | |
数据位 | - | 8 | - | Bit | |
校验位 | - | - | - | Bit | |
流控位 | - | - | - | Bit | |
电气性能(室温) | |||||
工作电压 | 3.3 | 3.6 | 5.0 | V | |
工作电流(均值) | - | 30 | - | mA | |
工作电流(瞬时) | - | 250 | 320 | mA | |
外形尺寸 | |||||
直径 x 长(最大尺寸) | Φ45 x 78 | mm | |||
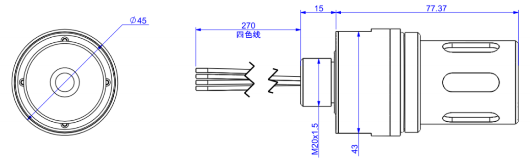
五、集成点式激光甲烷传感探头产品外形及引线定义
5.1集成点式激光甲烷传感探头外形尺寸及引线定义(常规款)


5.2集成点式激光甲烷传感探头装配防水罩尺寸图(收费选配)
六、集成点式激光甲烷传感探头通讯格式
传感器处于自动检测状态时,输出形式为ASCⅡ字符串定长输出,共计29个字节,格式如下简要说明,具体参见附件一:激光甲烷传感器串口通信协议:
+xxx.xx空格符号nn.n空格pppp.pp空格SS空格HH
+xxx.xx代表浓度,单位 %VOL,范围+000.00~+999.99;
符号nn.n代表温度,单位 ℃,范围-99.9~+99.9;
pppp.pp代表气体压强,单位mbar,范围0000.00~9999.99
SS为产品状态码;
HH为前面25个字节的异或校验值,该校验字节以2个字符的形式进行输出;
附件一:激光甲烷传感器串口通信协议:
1. 通讯端口配置
探头通过串口与外部进行通讯,通讯接口配置如下:
配置项 | 参数 |
波特率 | 115200 |
停止位 | 1 |
数据位 | 8 |
校验位 | 无 |
流控制 | 无 |
2. 数据输出格式
2.1当探头处于自动测量检测状态时,输出形式为主动定长字符串输出,共计29个字节,格式如下:
功能码 | 浓度 | 空格 | 温度 | 空格 | 压强 | 空格 | 状态码 | 空格 | 异或校验码 | 回车符 | 换行符 | |
字节序号 | 1-7 | 8 | 9-13 | 14 | 15-21 | 22 | 23-24 | 25 | 26-27 | 28 | 29 | |
字节位数 | 7 | 1 | 5 | 1 | 7 | 1 | 2 | 1 | 2 | 1 | 1 | |
单位 | %VOL | - | ℃ | - | mbar | - | - | - | - | - | - | |
举例 | ASCII | +000.00 | +21.4 | 1001.01 | 00 | 28 | ||||||
HEX | 2B 30 30 30 2E 30 30 | 20 | 2B 32 31 2E 34 | 20 | 31 30 30 31 2E 30 31 | 20 | 30 30 | 20 | 32 38 | 0D | 0A | |
2.2关于集成点式激光甲烷传感探头异或校验的方法说明:
计算方式为从第一个字节开始逐一向后进行异或计算。即第一个字节异或第二个字节,所得结果再异或第三个字节,以此类推,直至前25个字节结束,得出一个字节的校验结果,将该结果转换为两个字符输出。例如计算结果为0X28,那么字符‘2’和‘8’即为输出结果,若所包含字符为字母,输出均为大写形式。
举例说明:
例1:当前浓度为0.00%VOL 温度为21.4°C压力为1001.01 mbar输出如下:+000.00 +21.4 1001.01 00 28
例2:当前浓度为2.01%VOL 温度为-9.4°C压力为989.12 mbar输出如下:+002.01 -09.4 0989.12 00 2D
2.3状态码说明
默认模式输出情况下第23字节和24字节为用ASCII码表示的状态码,表征探头的工作状态。将两个ASCII码字节转换为对应的BCD码,即每个字节转化为一个4位16进制的数据,将第23字节ASCII码转换成BCD码后形成高4位,将第24字节ASCII码转换成低四位,共计8个数据位为一个字节,每个位表征不同的故障,具体为:
第23字节 | 第24字节 | ||||||
D8 | D7 | D6 | D5 | D4 | D3 | D2 | D1 |
保留 | 温控异常标示 | 温压传感器通讯异常标示 | 是否标定标志 | 光强过小标示 | 光强太大标示 | 吸收峰是否偏出标示 | 保留 |
默认为0 | 1:温控异常 0:正常 | 1:通讯异常 0:正常 | 1:未标定 0:已标定 | 1:过小 0:正常 | 1:过大 0:正常 | 1:偏出 0:未偏出 | 默认为0 |
例子
1.产品工作正常:此时输出状态码为00,对应第23字节的ASCII码为0X30及其对应BCD码为B0000,对应第24字节的ASCII码为0X30及其对应BCD码为B0000,对应的标志位为:B0000 0000。
2.如果吸收峰偏出:此时输出状态码为02,对应第23字节的ASCII码为0X30及其对应BCD码为B0000,对应第24字节的ASCII码为0X32及其对应BCD码为B0010,对应的标志位为:B0000 0010。
3.如果温控异常、同时光强过大:此时输出状态码为44,对应第23字节的ASCII码为0X34及其对应BCD码为B0100,对应第24字节的ASCII码为0X34及其对应BCD码为B0100,对应的标志位为:B0100 0100。
4.如果温控异常、温压传感器通讯异常、产品未标定、光强过小、吸收峰偏出:此时输出状态码为7A,对应第23字节的ASCII码为0X37及其对应BCD码为B0111,对应第24字节的ASCII码为0X41及其对应BCD码为B1010,对应的标志位为:B0111 1010。